Standard Products
We have been focusing on providing customers with high quality slip ring products and solutions.
The company's products are not only widely used in civil industry, but also enter the aerospace and military fields.



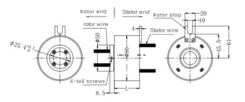
RH: Series code for hollow slip rings
2586: 25-inner diameter 25mm; 86-outer diameter 86mm
Number of Current paths:
0610:06 represents 6 channels, 10 represents each channel can pass 10A current
1230:12 represents 12 channels, 30 represents each channel can pass 30A current
Number of signal paths:
06S:06 stands for Channel 6, and S stands for signal line
12S:12 represents 12 channels and S represents the signal line
Standard series integral precision conductive slip rings with an outer diameter of 86mm and a through hole diameter of 25.4mm (applicable to <=25.4mm).
* Note:
If an inner hole of less than 25.4mm is required, it can be solved by adding an inner lining bushing.

| RH2586 Series Through-hole Slip Ring Selection Table | |||||||
| Model | 10A | Signal or 5A | L (mm) | Model | 10A | Signal or 5A | L (mm) |
| RH2586-02S | 0 | 2 | 47.7 | RH2586-1210-12S | 12 | 12 | 117.9 |
| RH2586-0210 | 2 | 0 | 47.7 | RH2586-1810-06S | 18 | 6 | 117.9 |
| RH2586-03S | 0 | 3 | 47.7 | RH2586-2410 | 24 | 0 | 117.9 |
| RH2586-0310 | 3 | 0 | 47.7 | RH2586-30S | 0 | 30 | 141.3 |
| RH2586-06S | 0 | 6 | 47.7 | RH2586-0610-24S | 6 | 24 | 141.3 |
| RH2586-0210-04S | 2 | 4 | 47.7 | RH2586-1210-18S | 12 | 18 | 141.3 |
| RH2586-0410-02S | 4 | 2 | 47.7 | RH2586-1810-12S | 18 | 12 | 141.3 |
| RH2586-0610 | 6 | 0 | 47.7 | RH2586-2410-06S | 24 | 6 | 141.3 |
| RH2586-12S | 0 | 12 | 71.1 | RH2586-3010 | 30 | 0 | 141.3 |
| RH2586-0210-10S | 2 | 10 | 71.1 | RH2586-36S | 0 | 36 | 164.7 |
| RH2586-0310-09S | 3 | 9 | 71.1 | RH2586-0610-30S | 6 | 30 | 164.7 |
| RH2586-0610-06S | 6 | 6 | 71.1 | RH2586-1210-24S | 12 | 24 | 164.7 |
| RH2586-0810-04S | 8 | 4 | 71.1 | RH2586-3610 | 36 | 0 | 164.7 |
| RH2586-1010-02S | 10 | 2 | 71.1 | RH2586-42S | 0 | 42 | 188.1 |
| RH2586-1210 | 12 | 0 | 71.1 | RH2586-0610-36S | 6 | 36 | 188.1 |
| RH2586-0210-7S | 2 | 7 | 71.1 | RH2586-1210-30S | 12 | 30 | 188.1 |
| RH2586-18S | 0 | 18 | 94.5 | RH2586-48S | 0 | 48 | 211.5 |
| RH2586-0210-16S | 2 | 16 | 94.5 | RH2586-0610-42S | 6 | 42 | 211.5 |
| RH2586-0410-14S | 4 | 14 | 94.5 | RH2586-1010-38S | 10 | 38 | 211.5 |
| RH2586-0610-12S | 6 | 12 | 94.5 | RH2586-1210-36S | 12 | 36 | 211.5 |
| RH2586-0810-10S | 8 | 10 | 94.5 | RH2586-1810-30S | 18 | 30 | 211.5 |
| RH2586-1010-08S | 10 | 8 | 94.5 | RH2586-2410-24S | 24 | 24 | 211.5 |
| RH2586-1210-06S | 12 | 6 | 94.5 | RH2586-60S | 0 | 60 | 258.3 |
| RH2586-1410-04S | 14 | 4 | 94.5 | RH2586-0610-54S | 6 | 54 | 258.3 |
| RH2586-1610-02S | 16 | 2 | 94.5 | RH2586-1010-50S | 10 | 50 | 258.3 |
| RH2586-24S | 0 | 24 | 117.9 | RH2586-1210-48S | 12 | 48 | 258.3 |
| RH2586-0410-20S | 4 | 20 | 117.9 | RH2586-72S | 0 | 72 | 305.1 |
| RH2586-0610-18S | 6 | 18 | 117.9 | ||||
| Model | 10A | USB or network cable | L (mm) | Model | 10A | USB or network cable | L (mm) |
| RH2586-0210-1E | 2 | 5 | 71.1 | RH2586-0210-1ES | 2 | 9 | 71.1 |
| Model | 20A | Audio or network cable | L (mm) | Model | 20A | Audio or network cable | L (mm) |
| RH2586-0220-2S-1ES | 2 | 11 | 78.9 | RH2586-0320-2S-1ES | 3 | 5 | 82.8 |
| Model | 20A | Temperature-sensing line | L (mm) | Model | 20A | Temperature-sensing line | L (mm) |
| RH2586-0320-1K | 3 | 2 | 71.1 | RH2586-0420-1K | 4 | 2 | 71.1 |
| RH2586-0320-1P | 3 | 3 | 71.1 | RH2586-0420-1P | 4 | 3 | 71.1 |
| Electrical technical specifications | ||
| Parameters | Numerical value | |
| Power | Signal | |
| Rated voltage | 0~220VAC/VDC | 0~220VAC/VDC |
| Insulation resistance | 500 m Ω / 500 VDC | 500 m Ω / 500 VDC |
| Wire specification | AWG14#, AWG17# tin-coated Teflon | AWG22# Tin-coated Teflon |
| Wire length | Standard length: 300mm (adjustable as required) | |
| Insulation strength | 500VAC@50Hz, 60s | |
| Dynamic resistance change value | < 0.01 Ω | |
| Mechanical technical indicators | ||
| Parameters | Numerical value | |
| Working life | ≥20 million revolutions | |
| Maximum rotational speed | 1~250rpm | |
| Working temperature | - 30 ℃ ~ 80 ℃ | |
| Working humidity | 0~85% RH | |
| Contact material | Precious metals | |
| Shell material | Aluminum alloy | |
| Rotational torque | 0.1N.m; +0.03N.m/6 channels | |
| Protection grade | IP51 | |
| Loop road | 1 | 2 | 3 | 4 | 5 | 6 | 7 | 8 | 9 | 10 | 11 | 12 |
| Colour | black | red | yellow | green | blue | white | black | red | yellow | green | blue | white |
Note:
Six colors form a group, and the numbers are respectively 1... 6. The next group starts from 7... 12. Repeat the first six colors, and each group is identified by a number tube as the group number.
Note:
The following special requirements can all be customized. The delivery time will increase by 3 to 15 days, and the cost will increase by 5% to 50%. Most of the basic accessories of our company are standardized and modularized. Non-standard customization can also greatly reduce costs and delivery time.
① The lead-out method and lead-out length of the rotor and stator can be customized.
② Due to structural limitations, it can be customized according to the specified length, height or outer diameter.
③ It can support up to 200 power currents or signals at most.
④ Optional aviation plugs, terminals and heat shrink tubes are available.
⑤ Mixed slip rings for servo system signals, power lines and encoder lines of Yaskawa, Panasonic, Siemens, etc.
⑥ Capable of mixed high-speed data transmission (including Ethernet, USB, RS232,RS485,Profibus, CanBUS,CANOPEN, DeviceNET, CC-LINK, ProfiNET, EtherCAT and various other industrial buses).
⑦ Mixing of temperature control signals and thermocouple signals.
⑧ Customized for shockproof, high-temperature and other special environments.
⑨ It can be integrated with pneumatic and hydraulic rotary joints as a gas-electro-hydraulic slip ring.
⑩ High-temperature customization can reach up to 500 degrees.
⑪ High voltage can be customized up to 110kV.
⑫ High speed 10,000 RPM.
⑬ Current up to 5000 amperes (A).
⑭ Military grade.
⑮ Waterproof, underwater mode optional, IP65,IP68 optional.
⑯ Requirements for stainless steel housing.

Phone: +86 13622631318
Email:info@reehonde.com
Add: Room 301, Building 1, No. 11, Dalingshan Lakeside South 1st Street, Dalingshan Town, Dongguan City, Guangdong Province, China
Copyright © 2026 Dongguan Rui-Hong-De Precision Industry Co., Ltd All rights reserved. Privacy policy | Terms and Conditions