Standard Products
We have been focusing on providing customers with high quality slip ring products and solutions.
The company's products are not only widely used in civil industry, but also enter the aerospace and military fields.



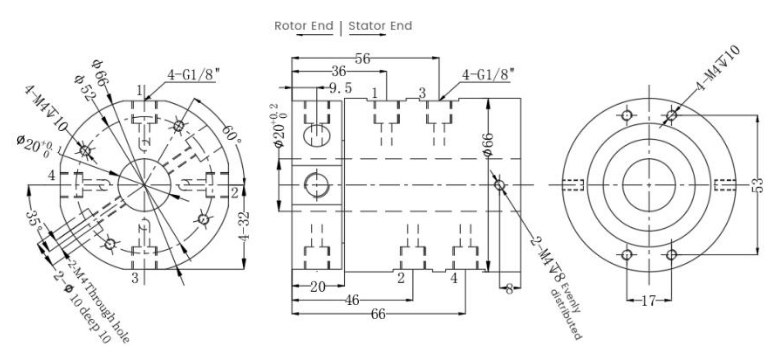
The through hole diameter is 20mm, suitable for the standard series of precision pneumatic slip rings with a diameter of <=20mm. 4 inlet 4 outlet air slip ring, G1/8" joint pipe diameters of 6 to 8mm.
The media that can pass through are: compressed air, hydrogen, nitrogen, chemical mixed gases, steam, cooling water, hot water, hot oil, petroleum, sulfuric acid, beverages, etc.
RQ2004001 through hole diameter 20mm.
4 in 4 out pneumatic slip ring.
Both the intake pipe and the exhaust pipe are 6-8mm.
Connection thread G1/8.
The through hole diameter is 20mm, suitable for the standard series of precision pneumatic slip rings with a diameter of <=20mm. 4 inlet 4 outlet air slip ring, G1/8" joint pipe diameters of 6 to 8mm.
The media that can pass through are: compressed air, hydrogen, nitrogen, chemical mixed gases, steam, cooling water, hot water, hot oil, petroleum, sulfuric acid, beverages, etc.

| RQ2004001 Series Through-hole Slip Ring Selection Table | |||
| Model | The number of trachea | Joint size | Adaptive trachea | 
| RQ2004001 | 4 inputs and 4 outputs | G1/8” | 6~8mm | 
| Technical specifications of rotary joints | |
| Parameters | Numerical value | 
| Number of channels | 4 inputs and 4 outputs | 
| Maximum pressure | 1MPa (customizable high pressure), vacuum -1.5kPa | 
| Torque | < 0.2 N.m | 
| Mechanical technical indicators | |
| Parameters | Numerical value | 
| Working life | ≥20 million revolutions | 
| Maximum rotational speed | 1~250rpm | 
| Working temperature | - 30 ℃ ~ 80 ℃ | 
| Working humidity | Precious metals | 
| Contact material | Aluminum alloy | 
| Shell material | Aluminum alloy | 
| Protection grade | IP51 | 

Phone: +86 13622631318
Email: info@reehonde.com
Add: Room 301, Building 1, No. 11, Dalingshan Lakeside South 1st Street, Dalingshan Town, Dongguan City, Guangdong Province, China
Copyright © 2025 Dongguan Rui-Hong-De Precision Industry Co., Ltd All rights reserved. Privacy policy | Terms and Conditions