Standard Products
We have been focusing on providing customers with high quality slip ring products and solutions.
The company's products are not only widely used in civil industry, but also enter the aerospace and military fields.



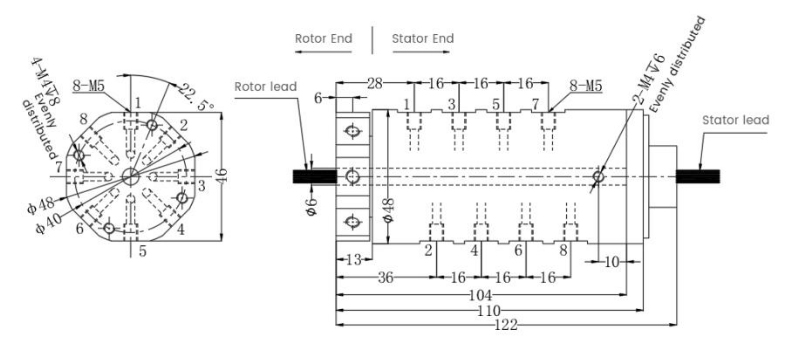
8 inlet 8 outlet air + electric rotary joint,M5"joint,4~6mm pipe diameter.
Hybrid power lines, signal lines, Ethernet, USB, industrial buses, control lines, solenoid valves, induction lines, etc. The standard is flange installation form, and hollow shaft installation can be customized. The media that can pass through are: Compressed air, hydrogen, nitrogen, chemical mixed gases, steam, cooling water, hot water, hot oil, petroleum, sulfuric acid, beverages, etc.
XQ08005: 8 inlet and 8 outlet pneumatic rotary joints.
Inlet pipe and outlet pipe are 4~6mm.
M5’ connector threads.
Current path number:
06 represents six wires and 12 represents twelve wires
24 represents 24 wires and 36 represents 36 wires
56 represents 56 wires
Current magnitude:
05 represents 5A and 10 represents 10A
20 represents 20A
Number of signal channels:
S represents a current or signal below 2A
06S represents six signals
12S represents 12 signals
24S represents 24 signals
8 inlet 8 outlet air + electric rotary joint,M5"joint,4~6mm pipe diameter.
Hybrid power lines, signal lines, Ethernet, USB, industrial buses, control lines, solenoid valves, induction lines, etc. The standard is flange installation form, and hollow shaft installation can be customized. The media that can pass through are: Compressed air, hydrogen, nitrogen, chemical mixed gases, steam, cooling water, hot water, hot oil, petroleum, sulfuric acid, beverages, etc.


| Technical specifications of the adapter part | ||
| Parameters | Numerical value | |
| Number of channels | 8 in and 8 out | |
| Maximum pressure | 1MPa (customizable high pressure), vacuum-1.5kPa | |
| Torque | < 0.2 N.m | |
| Electrical technical specifications | ||
| Parameters | Numerical value | |
| Power | Signal | |
| Rated voltage | 0~220VAC/VDC | 0~220VAC/VDC | 
| Insulation resistance | 500 m Ω / 500 VDC | 500 m Ω / 500 VDC | 
| Wire specification | AWG26# Tin-coated Teflon | AWG26# Tin-coated Teflon | 
| Wire length | Standard length: 300mm (adjustable as required) | |
| Insulation strength | 500VAC@50Hz, 60s | |
| Dynamic resistance change value | < 0.01 Ω | |
| Mechanical technical indicators | ||
| Parameters | Numerical value | |
| Working life | ≥20 million revolutions | |
| Rated rotational speed | 0~250rpm | |
| Working temperature | - 30 ℃ ~ 80 ℃ | |
| Working humidity | 0~85% RH | |
| Contact material | Precious metals | |
| Shell material | Aluminum alloy | |
| Protection grade | IP51 | |
| RQ08005 Gas-Electric Integrated Slip Ring Selection Table | |||||
| (8 inputs and 8 outputs, 4-6mm air pipe) +6-56 2A signals | |||||
| Model | The number of trachea | Interface size | Adaptive trachea | Signal or 2A | Length (mm) | 
| RQ08005-06S | 8 in and 8 out | M5 | 4~6mm | 6 | twelve | 
| RQ08005-12S | 8 in and 8 out | M5 | 4~6mm | twelve | 24.5 | 
| RQ08005-18S | 8 in and 8 out | M5 | 4~6mm | 18 | 26.9 | 
| RQ08005-24S | 8 in and 8 out | M5 | 4~6mm | 24 | 34.6 | 
| RQ08005-36S | 8 in and 8 out | M5 | 4~6mm | 36 | 49.5 | 
Note:
N 10A current loops combined can be used as one N*10A current loop.
For example:
Two loops of 10A are combined and used as one route of 20A.
The 10A and signal (5A) can be combined freely, with a maximum of 96 channels. For more details, please consult the customer service.
Non-standard customization is available on standard products. Please consult customer service.
| Product grade code | Maximum rotational speed | Working life | Seal | 
| VC (General Grade) | 100RPM | 10 million revolutions | Domestic well-known brand seals | 
| VD (Industrial Grade) | 300RPM | 30 million revolutions | Imported sealing parts | 
| Loop road | 1 | 2 | 3 | 4 | 5 | 6 | 7 | 8 | 9 | 10 | 11 | 12 | 
| Colour | black | red | yellow | green | blue | white | black | red | yellow | green | blue | white | 
Note:
Six colors form a group, and the numbers are respectively 1... 6. The next group starts from 7... 12. Repeat the first six colors, and each group is identified by a number tube as the group number.
Note:
The following special requirements can all be customized. The delivery time will increase by 3 to 15 days, and the cost will increase by 5% to 50%. Most of the basic accessories of our company are standardized and modularized. Non-standard customization can also greatly reduce costs and delivery time.
① The lead-out method and lead-out length of the rotor and stator can be customized.
② Due to structural limitations, it can be customized according to the specified length, height or outer diameter.
③ It can support up to 200 power currents or signals at most.
④ Optional aviation plugs, terminals and heat shrink tubes are available.
⑤ Mixed slip rings for servo system signals, power lines and encoder lines of Yaskawa, Panasonic, Siemens, etc.
⑥ Capable of mixed high-speed data transmission (including Ethernet, USB, RS232,RS485,Profibus, CanBUS,CANOPEN, DeviceNET, CC-LINK, ProfiNET, EtherCAT and various other industrial buses).
⑦ Mixing of temperature control signals and thermocouple signals.
⑧ Customized for shockproof, high-temperature and other special environments.
⑨ It can be integrated with pneumatic and hydraulic rotary joints as a gas-electro-hydraulic slip ring.
⑩ High-temperature customization can reach up to 500 degrees.
⑪ High voltage can be customized up to 110kV.
⑫ High speed 10,000 RPM.
⑬ Current up to 5000 amperes (A).
⑭ Military grade.
⑮ Waterproof, underwater mode optional, IP65,IP68 optional.
⑯ Requirements for stainless steel housing.

Phone: +86 13622631318
Email: info@reehonde.com
Add: Room 301, Building 1, No. 11, Dalingshan Lakeside South 1st Street, Dalingshan Town, Dongguan City, Guangdong Province, China
Copyright © 2025 Dongguan Rui-Hong-De Precision Industry Co., Ltd All rights reserved. Privacy policy | Terms and Conditions